产品分类
联系我们
- 城邦晟邦精密机械(江苏)有限公司,晟邦减速机,BHG减速机
晟城精密科技(江苏)有限公司 - 地址:江苏省常州市武进区前黄镇工业路307号
电话:0519-88998190
传真:0519-88996290
胡千兵:13018665114
邮箱:596516651@qq.com
- 晟邦精密科技(广东)有限公司
东莞市城邦精密机电有限公司 - 地址:广东省东莞市厚街镇科技大道7号
电话:0769-85343611
传真:0769-85343612
严金花:13450623531
邮箱:122086354@qq.com
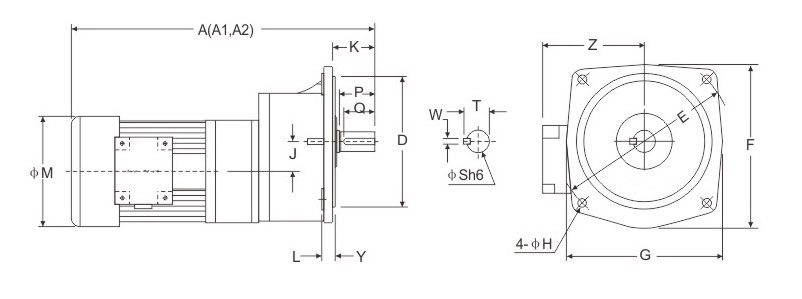
CV..SZ 立式附三相缩宽铝壳(剎车)马达减速机

参数详情


出力軸尺寸 | |||||
出力軸 | 鍵槽 | 鍵 | |||
Sh6 | P | W | T | Q | SPEC' |
∮22 | 40 | 7 | 25 | 35 | 7*7*35 |
適用機型: CV..S, CV..ST, CV..SB, CV..STB, CV..SZ, CV..STZ, CV..SZB, CV..STZB
馬力 | 減速比 | 本體 | 型番(S) | A | A1 | A2 | D | E | F | G | H | J | K | M | Y |
200W 1/8HP | 100-200 | 2# | *22 | 315 | 315 | 315 | 55 | 170 | 146 | 146 | 11 | 19.662 | 48.6 | 133 | 120 |
400W 1/4HP | 15-90 | 2# | *22 | 330 | 330 | 330 | 55 | 170 | 146 | 146 | 11 | 19.662 | 48.6 | 167 | 135 |
750W 1/2HP | 3-25 | 2# | *22 | 330 | 330 | 330 | 55 | 170 | 146 | 146 | 11 | 19.662 | 48.6 | 167 | 135 |
備註: A :三相鋁殼馬達 ; A1 :三相鐵殼馬達 ; A2 :三相馬達附剎車器 ; * :屬於B型出力法蘭 ;


